产品概述
蜗轮法兰式软密封蝶阀适用于温度≤120℃,公称压力≤1.6MPa的食品、医药、化工、石油、电力、轻纺、造纸等给排水、气体管道上作调节流量和截流介质的作用。
技术标准
1、作为管路中调节或截断介质的设备。
2、适用于手柄控制装置(DN50~300),蜗轮蜗杆、电动及气动控制装置。
3、设计与制造标准符合GB/T12238。
4、压力试验符合GB/T13927。
5、结构长度符合GB/T12221。
6、侧法兰标准符合GB/T17241.6。
产品特征
1、可以配用手柄、蜗轮蜗杆传动、电动或气动控制装置。
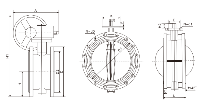
主要外形尺寸及重量(PN1.0/1.6MPa)
| DN | L | D | D1 | D2 | b | f | N-d0 | A | K | E | F | H | H1 | H2 | Φ2 | N-d1 |
| 50 | 108 | 165 | 125 | 102 | 18 | 3 | 4-Φ18 | 180 | 65 | 50 | 13 | 83 | 338 | 28 | 12.6 | 4-Φ7 |
| 65 | 112 | 185 | 145 | 122 | 18 | 3 | 8-Φ18 | 180 | 65 | 50 | 13 | 93 | 358 | 28 | 12.6 | 4-Φ7 |
| 80 | 114 | 200 | 160 | 138 | 20 | 3 | 8-Φ18 | 245 | 65 | 50 | 13 | 100 | 413 | 28 | 12.6 | 4-Φ7 |
| 100 | 127 | 220 | 180 | 158 | 20 | 3 | 8-Φ18 | 240 | 90 | 70 | 13 | 114 | 428 | 28 | 15.77 | 4-Φ10 |
| 125 | 140 | 250 | 210 | 188 | 22 | 3 | 8-Φ18 | 240 | 90 | 70 | 13 | 125 | 444 | 28 | 18.92 | 4-Φ10 |
| 150 | 140 | 285 | 240 | 212 | 22 | 3 | 8-Φ22 | 350 | 90 | 70 | 13 | 143 | 553 | 28 | 18.92 | 4-Φ10 |
| 200 | 152 | 340 | 295 | 268 | 24 | 3 | 12-Φ22 | 350 | 125 | 102 | 13 | 170 | 678 | 38 | 22.1 | 4-Φ12 |
| 250 | 165 | 405 | 355 | 320 | 26 | 3 | 12-Φ26 | 550 | 125 | 102 | 13 | 198 | 742 | 38 | 28.45 | 4-Φ12 |
| 300 | 178 | 460 | 410 | 378 | 28 | 4 | 12-Φ26 | 600 | 125 | 102 | 20 | 223 | 803 | 38 | 31.6 | 4-Φ12 |
| 350 | 190 | 520 | 470 | 438 | 30 | 4 | 16-Φ26 | 600 | 150 | 125 | 20 | 270 | 866 | 45 | 31.6 | 4-Φ14 |
| 400 | 216 | 580 | 525 | 490 | 32 | 4 | 16-Φ30 | 600 | 175 | 140 | 20 | 300 | 940 | 51 | 33.15 | 4-Φ18 |
| 450 | 222 | 640 | 585 | 550 | 40 | 4 | 20-Φ30 | 750 | 175 | 140 | 20 | 340 | 995 | 51 | 37.95 | 4-Φ18 |
| 500 | 229 | 715 | 650 | 610 | 44 | 4 | 20-Φ33 | 750 | 175 | 140 | 22 | 355 | 1058 | 57 | 41.12 | 4-Φ18 |
| 600 | 267 | 840 | 770 | 725 | 54 | 5 | 20-Φ36 | 750 | 210 | 165 | 30 | 410 | 1163 | 70 | 50.63 | 4-Φ22 |
| 700 | 292 | 910 | 840 | 795 | 40 | 5 | 24-Φ36 | 750 | 300 | 254 | 30 | 478 | 1283 | 66 | 63.35 | 8-Φ18 |
| 800 | 318 | 1025 | 950 | 900 | 42 | 5 | 24-Φ39 | 750 | 300 | 254 | 30 | 529 | 1398 | 66 | 63.35 | 8-Φ18 |
| 900 | 330 | 1125 | 1050 | 1000 | 44 | 5 | 28-Φ39 | 1250 | 300 | 254 | 34 | 584 | 1498 | 118 | 75 | 8-Φ18 |
| 1000 | 410 | 1255 | 1170 | 1115 | 46 | 5 | 28-Φ42 | 1500 | 300 | 254 | 34 | 357 | 1608 | 142 | 85 | 8-Φ18 |
| 1200 | 470 | 1485 | 1390 | 1330 | 52 | 5 | 32-Φ48 | 1500 | 350 | 298 | 34 | 799 | 1876 | 150 | 105 | 8-Φ22 |