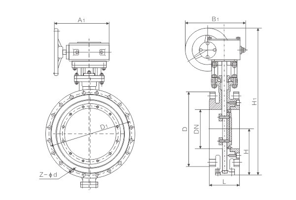
GD341X管网蝶阀又叫翻板阀,是一种结构简单的调节阀,该阀门操作轻便,严密的密封性能,使用寿命长。适用于要求可靠密封和良好调节的场合。阀体采用分体式,阀轴两端的密封由蝶板与阀座之间的旋转基面加氟橡胶来控制;保证阀轴不与腔内流体介质接触。
主要外形连接尺寸
|
DN |
L |
H |
D343H |
D643H |
0943H |
PN1.6MPa |
PN2.5MPa |
||||||||||||
|
毫米 |
英寸 |
短 |
长 |
H1 |
A1 |
B1 |
H2 |
A2 |
B2 |
H3 |
A3 |
B3 |
D |
D1 |
Z-d |
D |
D1 |
Z-d |
|
|
50 |
2 |
108 |
150 |
112 |
350 |
180 |
200 |
625 |
245 |
72 |
530 |
250 |
255 |
165 |
125 |
4-18 |
165 |
125 |
4-18 |
|
65 |
21/2 |
112 |
170 |
115 |
370 |
180 |
200 |
625 |
245 |
72 |
530 |
250 |
255 |
185 |
145 |
8-18 |
185 |
145 |
8-18 |
|
80 |
3 |
114 |
180 |
120 |
380 |
180 |
200 |
645 |
245 |
72 |
565 |
250 |
255 |
200 |
160 |
8-18 |
200 |
160 |
8-18 |
|
100 |
4 |
127 |
190 |
138 |
420 |
180 |
200 |
675 |
355 |
92 |
600 |
250 |
255 |
220 |
180 |
8-18 |
235 |
190 |
8-22 |
|
125 |
5 |
140 |
200 |
164 |
460 |
180 |
200 |
715 |
355 |
92 |
640 |
250 |
255 |
250 |
210 |
8-18 |
270 |
220 |
8-26 |
|
150 |
6 |
140 |
210 |
175 |
555 |
270 |
280 |
800 |
355 |
92 |
705 |
300 |
315 |
285 |
240 |
8-22 |
300 |
250 |
8-26 |
|
200 |
8 |
152 |
230 |
200 |
760 |
400 |
425 |
850 |
250 |
170 |
775 |
300 |
315 |
340 |
295 |
12-22 |
360 |
310 |
12-26 |
|
250 |
10 |
165 |
250 |
243 |
830 |
400 |
425 |
925 |
250 |
170 |
945 |
300 |
315 |
405 |
355 |
12-26 |
425 |
370 |
12-30 |
|
300 |
12 |
178 |
270 |
250 |
895 |
450 |
560 |
1035 |
450 |
220 |
1070 |
300 |
315 |
460 |
410 |
12-26 |
485 |
430 |
16-30 |
|
350 |
14 |
190 |
290 |
280 |
950 |
450 |
560 |
1070 |
450 |
220 |
1140 |
300 |
315 |
520 |
470 |
16-26 |
555 |
490 |
16-33 |
|
400 |
16 |
216 |
310 |
305 |
1190 |
535 |
580 |
1190 |
450 |
220 |
1210 |
300 |
315 |
580 |
525 |
16-30 |
620 |
550 |
16-36 |
|
450 |
18 |
222 |
330 |
350 |
1255 |
535 |
580 |
1250 |
650 |
280 |
1335 |
575 |
714 |
640 |
585 |
20-30 |
670 |
600 |
20-36 |
|
500 |
20 |
229 |
350 |
380 |
1305 |
535 |
580 |
1290 |
650 |
280 |
1415 |
575 |
714 |
715 |
650 |
20-33 |
730 |
660 |
20-36 |
|
600 |
24 |
267 |
390 |
445 |
1340 |
570 |
660 |
1455 |
850 |
380 |
1605 |
656 |
810 |
840 |
770 |
20-36 |
845 |
770 |
20-39 |
|
700 |
28 |
292 |
430 |
480 |
1520 |
750 |
550 |
1585 |
850 |
380 |
1844 |
656 |
810 |
910 |
840 |
24-36 |
960 |
875 |
24-42 |
|
800 |
32 |
318 |
470 |
530 |
1710 |
750 |
550 |
1700 |
1250 |
380 |
2040 |
656 |
810 |
1025 |
950 |
24-39 |
1085 |
990 |
24-48 |
|
900 |
36 |
330 |
510 |
580 |
1810 |
750 |
550 |
1865 |
1250 |
380 |
2255 |
785 |
863 |
1125 |
1050 |
28-39 |
1185 |
1090 |
28-48 |
|
1000 |
40 |
410 |
550 |
650 |
1960 |
900 |
750 |
2015 |
1250 |
380 |
2380 |
785 |
863 |
1255 |
1170 |
28-42 |
1320 |
1210 |
28-56 |
|
1200 |
48 |
470 |
630 |
760 |
2250 |
1000 |
925 |
2250 |
1250 |
380 |
2640 |
785 |
863 |
1485 |
1390 |
32-48 |
1530 |
1420 |
32-56 |
|
1400 |
56 |
530 |
710 |
850 |
2435 |
1000 |
925 |
|
|
|
2886 |
|
|
1685 |
1590 |
36-48 |
1755 |
1640 |
36-62 |
|
1600 |
64 |
600 |
790 |
1030 |
2780 |
1000 |
980 |
|
|
|
3156 |
|
|
1930 |
1820 |
40-56 |
1975 |
1860 |
40-62 |
|
1800 |
72 |
670 |
870 |
1230 |
3020 |
1100 |
980 |
|
|
|
3421 |
|
|
2130 |
2020 |
44-56 |
2195 |
2070 |
44-70 |