产品概述
陶瓷偏心半球阀利用偏心阀体、偏心球体、阀座,阀杆作旋转运动时在共同轨迹自动定心,关闭过程中越关越紧,完全达到良好的密封目的。阀门的球体和阀座完全脱离,消除了密封圈的磨损,克服了传统球体阀座与球体密封面始终磨损的问题,非金属弹性材料被嵌入金属座中,阀座金属面受到良好的保护。特别适用于钢铁业,洗选矿、电站、除灰等行业,矿料浆液,灰渣浆液等介质。
阀门的阀座和半球体的密封面均采用工程陶瓷、硬度高、耐冲蚀、寿命长。适用于含有粉状颗粒的固液混合介质,作启闭用;半球体为固定球式,刚性好。形状为V形半球,体积小,重量轻; 阀座密封面与半球密封面间距具有可调性,故阀门在使用一定时间后,密封面间距可再进行调整,延长阀门寿命;阀门在全开时,阀体通道完全畅通,介质流阻小。
|
PN(Mpa) |
DN(mm) |
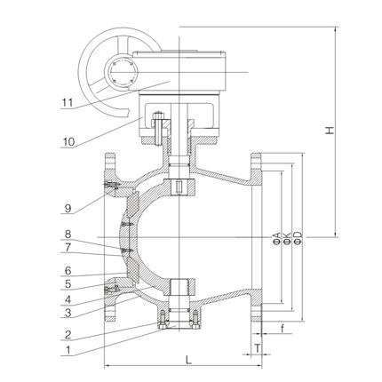
H |
L |
D |
D1 |
D2 |
n-d |
C |
F |
|
1.6 |
50 |
230 |
124 |
165 |
125 |
100 |
4-Φ18 |
16 |
3 |
|
65 |
237 |
145 |
185 |
145 |
120 |
4-Φ18 |
18 |
3 |
|
|
80 |
260 |
165 |
200 |
160 |
135 |
8-Φ18 |
20 |
3 |
|
|
100 |
270 |
194 |
220 |
180 |
156 |
8-Φ18 |
20 |
3 |
|
|
125 |
320 |
210 |
250 |
210 |
185 |
8-Φ22 |
22 |
3 |
|
|
150 |
340 |
229 |
285 |
240 |
211 |
8-Φ22 |
26 |
3 |
|
|
200 |
390 |
243 |
340 |
295 |
265 |
8-Φ23 |
26 |
3 |
|
|
250 |
420 |
297 |
405 |
355 |
319 |
8-Φ26 |
30 |
3 |
|
|
300 |
510 |
338 |
460 |
410 |
375 |
8-Φ26 |
30 |
4 |