铸钢升降式止回阀的阀体结构采用截止阀的阀体,其阀瓣沿着通道中以线作升降运动,动作可靠,但流体阻力较大,适用于轻小口径的场合。直通式升降止回阀一般只能安装在水平管路,而立式升降止回阀一般就安装在垂直管路。产品广泛应用于石油、化工、制药、电力行业等各种工况的管路上。
产品特点
1、止回阀产品设计制造按GB/T 12235设计制造检验,密封可靠,性能优良。
2、阀瓣、阀座的密封面采用司太立(stellite)钴基硬质合金堆焊而成,耐磨、耐高温,抗擦伤性能好、使用寿命长。
3、可采用各种配管法兰标准及法兰密封面型式,满足各种工程需要及用户要求。
4、填料、垫片根据实际工况或用户要求合理选配,能适用于各种压力、温度及介质工况。
5、可按用户要求制造不同结构形式和连接形式的止回阀,为各种设备配套使用。
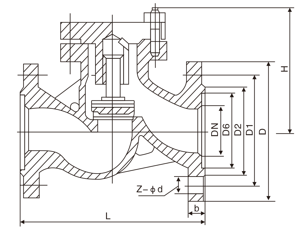
主要外形尺寸
| 公称通径 | 主要外形尺寸和连接尺寸 | ||||||
| L | D | D1 | D2 | b | Z-d | H | |
| H41H-16C H41W-16C H41W-16P H41W-16R H41W-16I | |||||||
| 15 | 130 | 95 | 65 | 45 | 14 | 4-14 | 77 |
| 20 | 150 | 105 | 75 | 55 | 14 | 4-14 | 77 |
| 25 | 160 | 115 | 85 | 65 | 14 | 4-14 | 80 |
| 32 | 180 | 135 | 100 | 75 | 16 | 4-18 | 85 |
| 40 | 200 | 145 | 110 | 85 | 16 | 4-18 | 95 |
| 50 | 230 | 160 | 125 | 100 | 16 | 4-18 | 105 |
| 65 | 290 | 180 | 145 | 120 | 18 | 4-18 | 120 |
| 80 | 310 | 195 | 160 | 135 | 20 | 8-18 | 130 |
| 100 | 350 | 215 | 180 | 155 | 20 | 8-18 | 140 |
| 125 | 400 | 245 | 210 | 185 | 22 | 8-18 | 155 |
| 150 | 480 | 280 | 240 | 210 | 24 | 8-23 | 180 |
| 200 | 600 | 335 | 295 | 265 | 26 | 12-23 | 215 |
| 250 | 730 | 405 | 355 | 320 | 30 | 12-25 | 260 |
| 300 | 850 | 460 | 410 | 375 | 34 | 12-25 | 315 |
| H41H-25 H41W-25 H41W-25P H41W-25R H41W-25I | |||||||
| 15 | 130 | 95 | 65 | 45 | 16 | 4-14 | 100 |
| 20 | 150 | 105 | 75 | 55 | 16 | 4-14 | 105 |
| 25 | 160 | 115 | 85 | 65 | 16 | 4-14 | 120 |
| 32 | 180 | 135 | 100 | 78 | 18 | 4-18 | 130 |
| 40 | 200 | 145 | 110 | 85 | 18 | 4-18 | 135 |
| 50 | 230 | 160 | 125 | 100 | 20 | 4-18 | 149 |
| 65 | 290 | 180 | 145 | 120 | 22 | 8-18 | 160 |
| 80 | 310 | 195 | 160 | 135 | 22 | 8-18 | 169 |
| 100 | 350 | 230 | 190 | 160 | 24 | 8-23 | 194 |
| 125 | 400 | 270 | 220 | 180 | 28 | 8-25 | 222 |
| 150 | 480 | 300 | 250 | 218 | 30 | 8-25 | 255 |
| 200 | 600 | 360 | 310 | 278 | 34 | 12-25 | 305 |
| 250 | 730 | 425 | 370 | 332 | 36 | 12-30 | 355 |
| 300 | 850 | 485 | 430 | 390 | 40 | 16-30 | 410 |