您当前位置:产品中心 >> 蝶阀 >> 气动通风法兰蝶阀
气动通风法兰蝶阀
技术参数

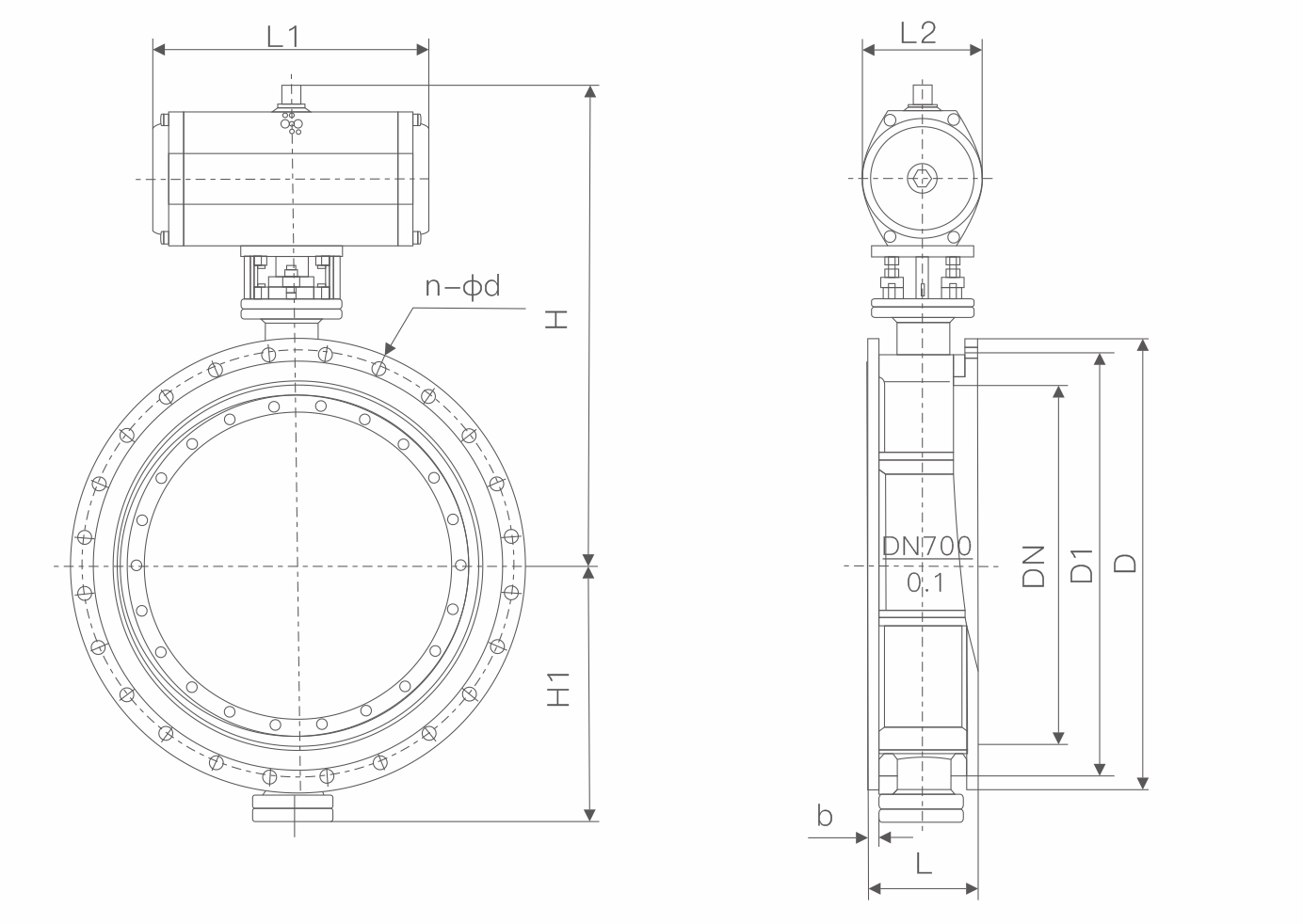
产品型号:D641W

公称通径:DN50~2000mm

压力范围:PN0.25MPa~0.6MPa

适用温度:-40~+425℃

设计标准:JB/T8692-1998

结构长度:GB/T12221-1989

压力试验:GB/T13927-1992

连接方式:法兰式

应用范围:冶金、环保、化工

驱动方式:气动、调节阀型、开关型