系列浮动式球阀主要适用于天然气、油品、化工、冶金、城建、环保、制药、食品等行业,其中抗硫系列产品适用于含硫化氢介质、杂质多、腐蚀严重的天然气长输管线。
其主要结构特点有
1.阀座密封结构;浮动式球阀采用双斜面弹性密封圈或V型槽弹性密封圈结构设计,保证密封的可靠性,对于低压、超低压或真空工况用球阀,采用板簧加载的阀座密封结构,能确保球阀长期可靠的密封。中、高温球阀的阀座材料可选用对位聚苯或金属材料。
2.自动泄压结构;当中腔压力出现异常升高现象时,中腔介质能依靠本身的推力推动阀座而自动泄压,从而确保阀体的安全。
3.阀杆的可靠密封;阀杆采用有倒密封的下装式结构,倒密封的密封力随介质压力的增高而增大,故能确保阀杆的可靠密封,而且,当阀腔异常升压时,阀杆不会喷出。
4.防火结构;根据工况及用户的需要,球阀可设计为防火结构。球阀的耐火设计执行API 607、API 6FA及JB/T 6899等标准的规定,一旦发生火灾而使软密封圈烧损时,球阀的防火结构可阻止介质的大量泄漏,防止火灾的进一步扩大。
5.防静电结构;当操作阀门时,由于球体和阀座之间的摩擦,会产生静电电荷并积聚在球体上,为防止产生静电火花,特在阀门上设置院静电装置,将积聚在球体上的电荷导出。
6.锁定装置;在手动球阀的全开、全闭两点位置上设计可上锁的结构,这样,可防止误操作以及不可预知的线路振动而产生的不应有的开关现象,特别是在可燃性介质的石油类和化学药品的生产线,以及阀门在室外配管时,这种设计体现出的优点和实际效果特别好。
7.全通径结构及缩径结构;为满足用户的不同需要,本公司球阀产品有全通径及缩径两种系列。全通径球阀的通道内径与管道内径一致,便于管理清扫,而缩径系列球阀的重量相对较轻,但流体阻力仅为相同口径截止阀的1/7左右,故缩径系列球阀的应用前景较为广阔。
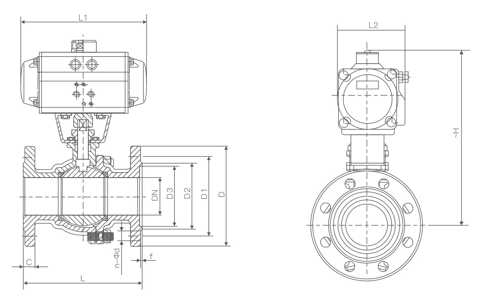
主要连接尺寸
| 公称通径DN(mm) | 主要尺寸 | 法兰尺寸 | ||||||||||
| PN1.6MPa | PN2.5MPa | |||||||||||
| L | H | H1 | L1 | D | D1 | D2 | n-φd | D | D1 | D2 | n-φd | |
| 15 | 130 | 185 | / | 140 | 95 | 65 | 46 | 4-14 | 95 | 65 | 46 | 4-14 |
| 20 | 140 | 191 | / | 140 | 105 | 75 | 45 | 4-14 | 105 | 75 | 56 | 4-14 |
| 25 | 150 | 193 | / | 140 | 115 | 85 | 65 | 4-14 | 115 | 85 | 65 | 4-14 |
| 32 | 165 | 212 | / | 164 | 140 | 100 | 76 | 4-18 | 140 | 100 | 76 | 4-18 |
| 40 | 180 | 217 | / | 164 | 150 | 110 | 84 | 4-18 | 150 | 110 | 84 | 4-18 |
| 50 | 200 | 260 | 102 | 190 | 165 | 125 | 99 | 4-18 | 165 | 125 | 99 | 4-18 |
| 65 | 220 | 293 | 114 | 210 | 185 | 145 | 118 | 4-18 | 185 | 145 | 118 | 8-18 |
| 80 | 250 | 323 | 127 | 247 | 200 | 160 | 132 | 8-18 | 200 | 160 | 132 | 8-18 |
| 100 | 280 | 382 | 152 | 276 | 220 | 180 | 156 | 8-18 | 235 | 190 | 156 | 8-22 |
| 125 | 320 | 468 | 184 | 348 | 250 | 210 | 184 | 8-18 | 270 | 220 | 184 | 8-26 |
| 150 | 360 | 510 | 219 | 378 | 285 | 240 | 211 | 8-22 | 300 | 250 | 211 | 8-26 |
| 200 | 400 | 655 | 273 | 524 | 340 | 295 | 266 | 12-22 | 360 | 310 | 274 | 12-26 |
| 250 | 630 | / | 360 | / | 405 | 355 | 319 | 12-26 | 425 | 370 | 330 | 12-30 |
| 300 | 750 | / | 395 | / | 460 | 410 | 370 | 12-26 | 485 | 430 | 389 | 16-30 |