您当前位置:产品中心 >> 控制阀 >> 气动套筒调节阀
气动套筒调节阀
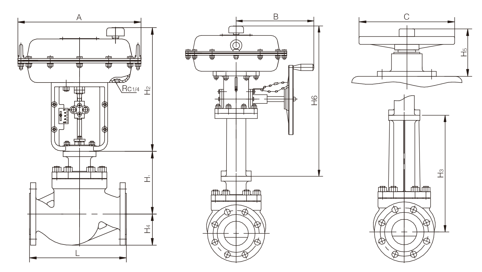
技术参数

产品型号:ZJHP、ZJHM

公称通径:DN15mm~200mm 

公称压力:1.6~6.4MPa

适用介质:水、油品、气体等

适用温度:常温型-20~200℃ 散热型-40~450℃

工作温度:-29~+150℃

法兰标准:JB79.1-94、JB79.2-94、GB2221-89