消声缓闭止回阀用于工业给排水、污水处理厂的水泵出口处,防止管网中介逆流。自动消除破坏性水锤,从而保证水泵和管路不受损坏。该阀主要由阀体、阀瓣、缓冲装置和微量调节阀组成。该产品具有结构新颖、体积小、流体阻力小、运行平稳、密封可靠、耐磨损、缓冲性能好等特点,是工业用水和城巿排污的理想产品。
主要零件材料
| 零件名称 | 阀体 | 阀瓣 | 阀杆、油缸、活塞、弹簧 | 阀座 |
| 材料 | 铸铁、铸钢 | 碳钢 | 不锈钢 | 丁腈橡胶 |
主要技术参数
| 型号 | 公称压力 | 试验压力 | 适用温度 | 适用介质 | 缓闭时间 | |
| 壳体 | 密封 | |||||
|
HH46X HDH48X HH49X |
1.0 | 1.5 | 1.1 | ≤80℃ | 清水、污水、海水 | ≤60秒 |
| 1.6 | 2.4 | 1.76 | ||||
| 2.5 | 3.75 | 2.75 | ||||
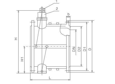
主要外形尺寸
| 公称通径 | 尺寸 | 公称通径 | 尺寸 | ||||
| L | H | H1 | L | H | H1 | ||
| 40 | 140 | 200 | 88 | 350 | 290 | 480 | 297 |
| 50 | 150 | 215 | 98 | 400 | 310 | 550 | 324 |
| 65 | 170 | 225 | 108 | 450 | 330 | 585 | 351 |
| 80 | 180 | 235 | 118 | 500 | 350 | 640 | 379 |
| 100 | 190 | 280 | 130 | 600 | 390 | 720 | 434 |
| 125 | 200 | 290 | 148 | 700 | 430 | 780 | 491 |
| 150 | 210 | 310 | 172 | 800 | 470 | 840 | 549 |
| 200 | 230 | 350 | 210 | 900 | 510 | 990 | 600 |
| 250 | 250 | 415 | 240 | 1000 | 550 | 1050 | 655 |
| 300 | 270 | 450 | 264 | 1200 | 630 | 1210 | 770 |